Консоль легкая 100х2 для проволочного лотка (DKC) FBC3010
- Описание
-
Подробности
Полное описание товара Консоль легкая 100х2 для проволочного лотка (DKC) FBC3010
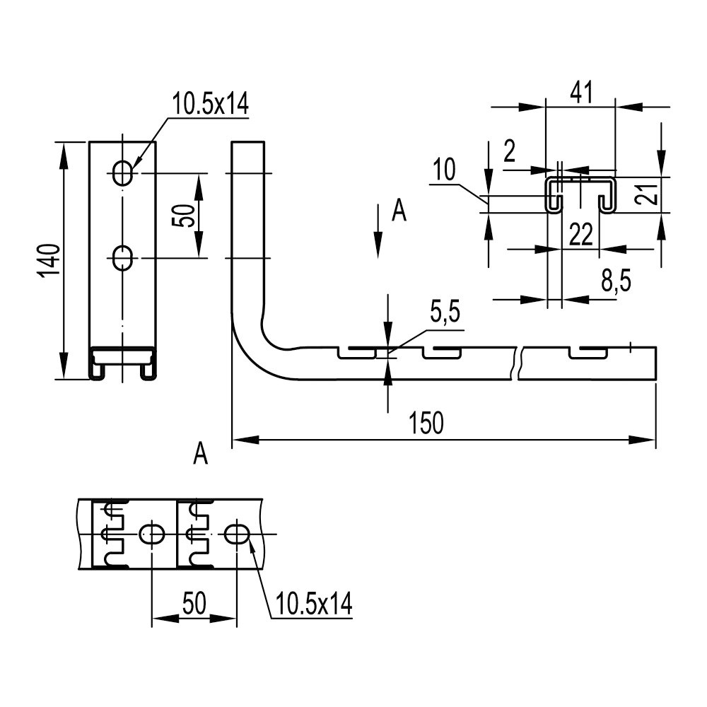
Легкая потолочная консоль для проволочного лотка шириной 100 мм. Предназначена для безвинтового монтажа кабельной трассы на основе системы проволочных лотков ‘‘F5 Combitech’‘ с максимально допустимой нагрузкой 100 кг. Крепление осуществляется к стене. Высота консоли - 140 мм. Толщина стали - 2 мм.
Входит в состав огнестойкой кабельной линии (ОКЛ) - это кабельная линия и электропроводка, способнаясохранять работоспособность в условиях пожара. ОКЛ– сертифицированная система, состоящая из огнестойкого кабеля и кабеленесущих систем.
Характеристики:
- Тип изделия: Кронштейн
- Материал изделия: Сталь
- Длина, мм: 100
- Покрытие: Цинк
- Толщина материала изделия: 2
- Климатическое исполнение: ОМ2, Т2, У2, УХЛ2, ХЛ2
- Масса, кг: 0.468
- Несущая способность/полезная нагрузка, кг: 100
- Цвет: Светло-серый
- Высота, мм: 130
- Крепление: Винтовое
- Тип соединения: Зажимное
- Ширина, мм: 41
- Рекомендованный проектный ассортимент: Да
- Дополнительная информация: Угол: 90 градусов
Документация:
Системы кабельных лотков S5, L5, F5, U5, I5, G5 Combitech и модульных эстакад T5 Combitech
Страница каталога
Как следует заземлять кабельную трассу из проволочных лотков ДКС
Чертеж - Характеристики
-
- Тип изделия: Кронштейн
- Материал изделия: Сталь
- Длина, мм: 100
- Покрытие: Цинк
- Толщина материала изделия: 2
- Климатическое исполнение: ОМ2, Т2, У2, УХЛ2, ХЛ2
- Масса, кг: 0.468
- Несущая способность/полезная нагрузка, кг: 100
- Цвет: Светло-серый
- Высота, мм: 130
- Крепление: Винтовое
- Тип соединения: Зажимное
- Ширина, мм: 41
- Рекомендованный проектный ассортимент: Да
- Дополнительная информация: Угол: 90 градусов


