Контактный блок с клеммным безвинтовым зажимом, нормально-открытый (DKC) MC-NOPP
- Описание
-
Подробности
Полное описание товара Контактный блок с клеммным безвинтовым зажимом, нормально-открытый (DKC) MC-NOPP
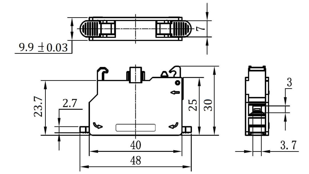
Контактный блок с клеммным безвинтовым зажимом, нормально-открытый, используется для установки в системы, где требуется открытие контакта при нормальных условиях. Удобная конструкция безвинтового зажима ускоряет процесс установки и подключения, улучшая точность работы и обеспечивая безопасность эксплуатации.
Характеристики:
- Тип изделия: Блок контактный
- Тип подключения: Зажимное, пружинное
- Преимущества: Винтовой или быстрый зажим Plug In|Рабочий ток до 25 А|Пылевлагозащита IP65|Пластик полиамид (РА66)|Класс горючести по UL 94: V0|Температура эксплуатация: от 40 до +80 °C|Быстрый монтаж/демонтаж проводов без инструментов
Документация:
Контактный блок с зажимом Plug-In_NO
Динамические блоки условно-графических обозначений YON и Mitra
Новая светосигнальная арматура Mitra
Конфигуратор (формат Excel) - Характеристики
-
- Тип изделия: Блок контактный
- Тип подключения: Зажимное, пружинное
- Преимущества: Винтовой или быстрый зажим Plug In|Рабочий ток до 25 А|Пылевлагозащита IP65|Пластик полиамид (РА66)|Класс горючести по UL 94: V0|Температура эксплуатация: от 40 до +80 °C|Быстрый монтаж/демонтаж проводов без инструментов


