Крышка на ответвитель DL осн.200 в комплекте с метизами и пластинами PTCE (DKC) 38365K
- Описание
-
Подробности
Полное описание товара Крышка на ответвитель DL осн.200 в комплекте с метизами и пластинами PTCE (DKC) 38365K
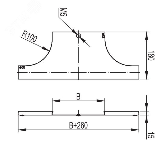
Крышка на ответвитель легко и надежно крепится, предотвращая попадание влаги и крупных частиц внутрь лотка. Если возникает необходимость получить доступ к кабелю, крышка легко снимается. Крышка на ответвитель DL предназначена для аксессуара шириной 200 мм. Исполнение – ''сталь, оцинкованная по методу Сендзимира''. Крышка поставляется в комплекте с крепежными элементами, необходимыми для качественного и надежного монтажа.
Характеристики:
- Тип изделия: Крышка-ответвитель
- Материал изделия: Сталь
- Ширина, мм: 200
- Покрытие: Оцинковано по методу сендзимира
- Толщина материала изделия: 0.8
- Климатическое исполнение: ОМ2, Т2, У2, УХЛ2, ХЛ2
- Преимущества: Применение комплектных крышек позволит:|Сократить время на отбор необходимого крепежа непосредственно при монтаже|Облегчить монтаж и сэкономить на крепеже за счет присутствия в комплекте необходимых крепежных элементов в достаточном количестве|Свести к нулю ошибки расчета и подбора крепежа в процессе проектирования|Крышка на аксессуар присоединяется простым защелкиванием|Для удобства монтажа и уменьшения времени на соединение крышек в крышку уже заштампована гайка М5|Благодаря особенностям конструктива крышка является быстросъемной, что оставляет возможность для доступа к кабелю (замены или прокладки дополнительной кабельной линии)|Изготавливается из оцинкованной стали с массой покрытия не менее 180 г/м2, что соответствует ГОСТ 52868-2021 и ГОСТ 14918 - 2020, и обеспечивает требуемую надежность и долговечность кабельной линии. Подтверждено протоколами соответствующих испытаний, в том числе в камере соляного тумана
Документация:
Системы кабельных лотков S5, L5, F5, U5, I5, G5 Combitech и модульных эстакад T5 Combitech
"Система металлических лотков ""S5 Combitech""
Заземление металлических кабельных лотков - Характеристики
-
- Тип изделия: Крышка-ответвитель
- Материал изделия: Сталь
- Ширина, мм: 200
- Покрытие: Оцинковано по методу сендзимира
- Толщина материала изделия: 0.8
- Климатическое исполнение: ОМ2, Т2, У2, УХЛ2, ХЛ2
- Преимущества: Применение комплектных крышек позволит:|Сократить время на отбор необходимого крепежа непосредственно при монтаже|Облегчить монтаж и сэкономить на крепеже за счет присутствия в комплекте необходимых крепежных элементов в достаточном количестве|Свести к нулю ошибки расчета и подбора крепежа в процессе проектирования|Крышка на аксессуар присоединяется простым защелкиванием|Для удобства монтажа и уменьшения времени на соединение крышек в крышку уже заштампована гайка М5|Благодаря особенностям конструктива крышка является быстросъемной, что оставляет возможность для доступа к кабелю (замены или прокладки дополнительной кабельной линии)|Изготавливается из оцинкованной стали с массой покрытия не менее 180 г/м2, что соответствует ГОСТ 52868-2021 и ГОСТ 14918 - 2020, и обеспечивает требуемую надежность и долговечность кабельной линии. Подтверждено протоколами соответствующих испытаний, в том числе в камере соляного тумана


