Пластина соединительная GTO H100 (DKC) 37305R
- Описание
-
Подробности
Полное описание товара Пластина соединительная GTO H100 (DKC) 37305R
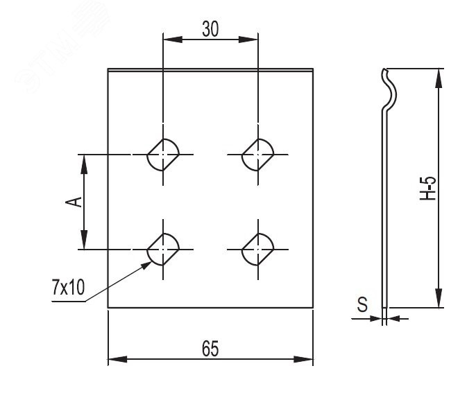
Пластина необходима для соединения листовых лотков ''стык-в-стык'' в случаях, когда лотки невозможно соединить методом ''мама-папа''. Подбирается под высоту лотков. Имеет четыре соединительных отверстия. Соединительные пластины GTO изготавливаются из стали (исполнение - ''сталь, оцинкованная по методу Сендзимира''). Они применяются как для объединения сплошных листовых лотков, так и для соединения перфорированных лотков с аксессуарами. Пластина применяется с лотками высотой 100 мм.
Входит в состав огнестойкой кабельной линии (ОКЛ) - это кабельная линия и электропроводка, способнаясохранять работоспособность в условиях пожара. ОКЛ– сертифицированная система, состоящая из огнестойкого кабеля и кабеленесущих систем.
Характеристики:
- Тип изделия: Накладка соединительная
- Материал изделия: Сталь оцинкованная
- Ширина, мм: 95
- Длина, мм: 65
- Покрытие: Оцинковано по методу сендзимира
- Преимущества: Выполнено из оцинкованной стали с массой покрытия не менее 180 г/м2, что соответствует ГОСТ 52868—2021 и ГОСТ 14918 – 2020, и обеспечивает требуемую надежность и долговечность кабельной линии|Подтверждено протоколами соответствующих испытаний, в том числе в камере соляного тумана
Документация:
Системы кабельных лотков S5, L5, F5, U5, I5, G5 Combitech и модульных эстакад T5 Combitech
"Система металлических лотков ""S5 Combitech""
Видео о товаре
Заземление металлических кабельных лотков ДКС
Страница каталога - Характеристики
-
- Тип изделия: Накладка соединительная
- Материал изделия: Сталь оцинкованная
- Ширина, мм: 95
- Длина, мм: 65
- Покрытие: Оцинковано по методу сендзимира
- Преимущества: Выполнено из оцинкованной стали с массой покрытия не менее 180 г/м2, что соответствует ГОСТ 52868—2021 и ГОСТ 14918 – 2020, и обеспечивает требуемую надежность и долговечность кабельной линии|Подтверждено протоколами соответствующих испытаний, в том числе в камере соляного тумана


