Шайба соединение проволочного лотка (в соединении с винтом М6х14) специальная головка (DKC) CM190600
- Описание
-
Подробности
Полное описание товара Шайба соединение проволочного лотка (в соединении с винтом М6х14) специальная головка (DKC) CM190600
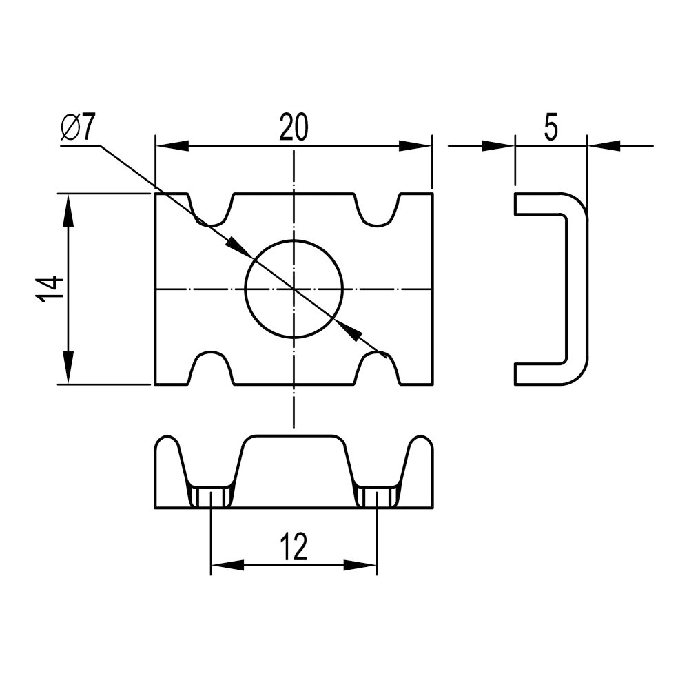
Шайба со специальной головкой используется для соединения проволочных лотков между собой, изготовления системных аксессуаров проволочного лотка, крепления проволочного лотка к монтажным аксессуарам. Устанавливается в соединении с винтом М6х14. Применяется в составе крепежного комплекта №3. Поставка осуществляется в упаковке из 50 штук.
Входит в состав огнестойкой кабельной линии (ОКЛ) - это кабельная линия и электропроводка, способнаясохранять работоспособность в условиях пожара. ОКЛ– сертифицированная система, состоящая из огнестойкого кабеля и кабеленесущих систем.
Характеристики:
- Тип изделия: Шайба
- Материал изделия: Сталь
- Высота, мм: 14
- Ширина, мм: 5
- Длина, мм: 20
- Резьба: M6
- Масса, кг: 0.004
- Диаметр внутренний, мм: 7
- Толщина материала изделия: 5
- Цвет: Светло-серый
- Климатическое исполнение: УХЛ(1,5)
- Рекомендованный проектный ассортимент: Да
Документация:
Системы кабельных лотков S5, L5, F5, U5, I5, G5 Combitech и модульных эстакад T5 Combitech
Страница каталога
Как следует заземлять кабельную трассу из проволочных лотков ДКС
Чертеж - Характеристики
-
- Тип изделия: Шайба
- Материал изделия: Сталь
- Высота, мм: 14
- Ширина, мм: 5
- Длина, мм: 20
- Резьба: M6
- Масса, кг: 0.004
- Диаметр внутренний, мм: 7
- Толщина материала изделия: 5
- Цвет: Светло-серый
- Климатическое исполнение: УХЛ(1,5)
- Рекомендованный проектный ассортимент: Да


