Устройство плавного пуска УПП, 30 кВт, 60А, 3 ~400380B, IP20, байпас встроен, компактная, LCD русскоязычное меню, гарантия 2г (Instart) SBIM -30/60-04
- Описание
-
Подробности
Полное описание товара Устройство плавного пуска УПП, 30 кВт, 60А, 3 ~400380B, IP20, байпас встроен, компактная, LCD русскоязычное меню, гарантия 2г (Instart) SBIM -30/60-04
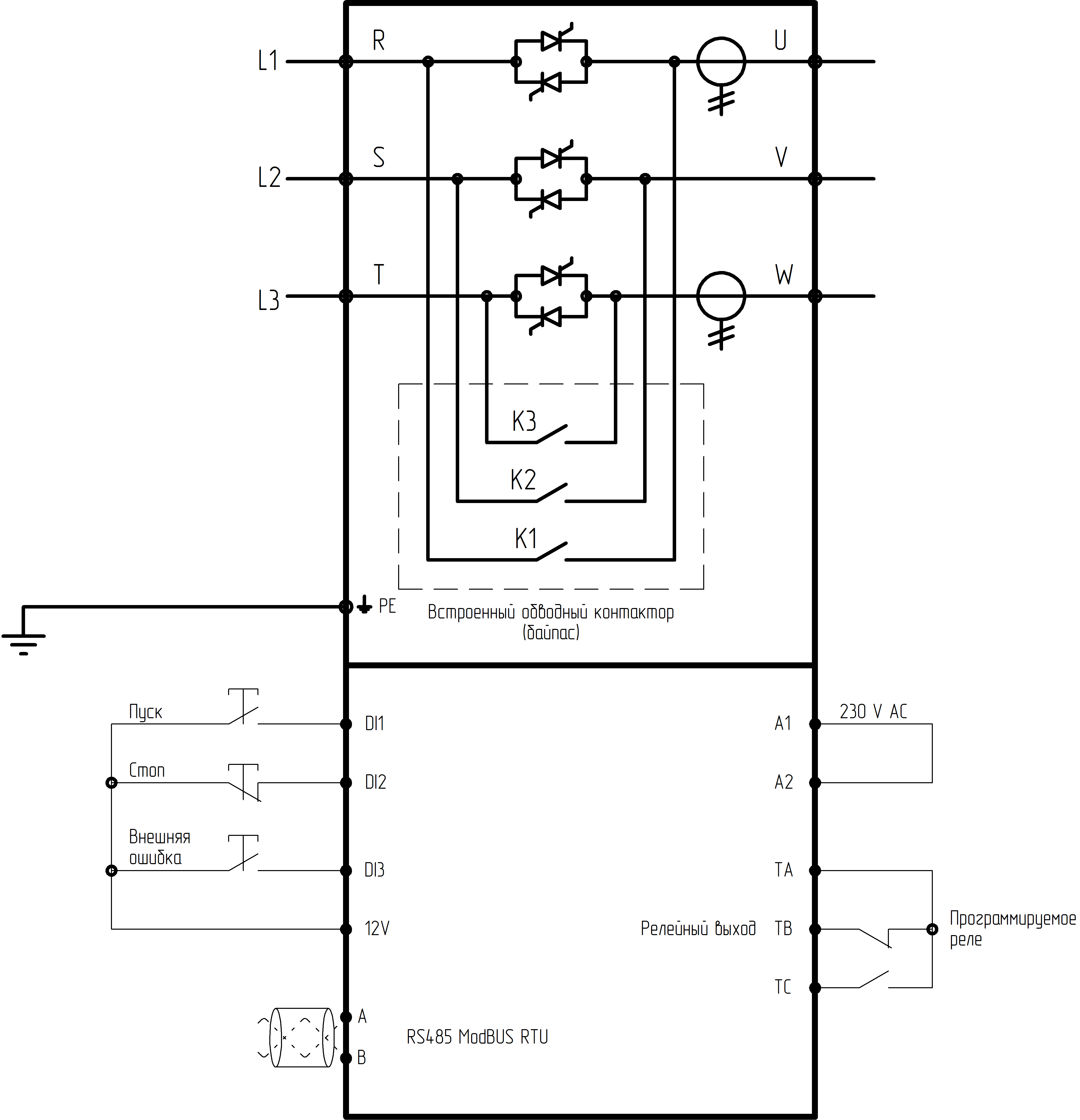
Устройство плавного пуска - SBIM наиболее компактное решение для управления электродвигателем с функциями плавного пуска и останова. Серия оснащена встроенным обводным контактором, что обеспечивает высокую надежность и упрощает подключение. Конструкция корпуса позволяет выполнять установку без воздушных зазоров. Предустановленные настройки для типовых решений. Тип подключения к ЭД- в линию. Питание платы управления -230В, независимое от силовой части. Встроенный источник питания 12 В DC. Релейные выходы - 1 - 250 В АС до 3 А, 30 В DC до 3 А. 3 цифровых входа управления.
Характеристики:
- Тип изделия: Устройство плавного пуска
- Номинальная мощность электродвигателя, КВт: 30
- Количество фаз: 3
- Напряжение, В: 380
- Номинальный ток, А: 60
- Степень защиты: IP20
- Способ задания параметров: Ручной, дистанционный, интерфейс
- Преимущества: Компактные размеры - книжное исполнение идеально подходит для использования в ограниченных пространствах|Русскоязычная графическая панель|Монтаж на DIN-рейку, или на монтажную плату|Бесперебойное питание- независимое питание управляющей части УПП|СЕТЕВОЙ ПРОТОКОЛ Modbus RTU|Оптимальный набор настраиваемых защит|Гарантия -2года
Документация:
Обзор устройства плавного пуска SBIM (типоразмер 1)
Каталог производителя
Руководство по эксплуатации и паспорт
Схема подключения - Характеристики
-
- Тип изделия: Устройство плавного пуска
- Номинальная мощность электродвигателя, КВт: 30
- Количество фаз: 3
- Напряжение, В: 380
- Номинальный ток, А: 60
- Степень защиты: IP20
- Способ задания параметров: Ручной, дистанционный, интерфейс
- Преимущества: Компактные размеры - книжное исполнение идеально подходит для использования в ограниченных пространствах|Русскоязычная графическая панель|Монтаж на DIN-рейку, или на монтажную плату|Бесперебойное питание- независимое питание управляющей части УПП|СЕТЕВОЙ ПРОТОКОЛ Modbus RTU|Оптимальный набор настраиваемых защит|Гарантия -2года


