Устройство плавного пуска УПП 37 кВт 74A, 3 342-440 В, IP00, Modbus RTU, съемная панель, русскоязычное меню, встроенный обводной контактор (Instart) SBIP-37/74-04
- Описание
-
Подробности
Полное описание товара Устройство плавного пуска УПП 37 кВт 74A, 3 342-440 В, IP00, Modbus RTU, съемная панель, русскоязычное меню, встроенный обводной контактор (Instart) SBIP-37/74-04
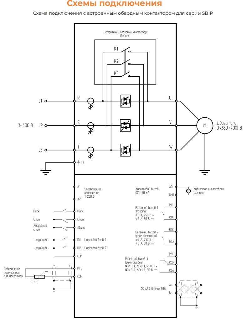
Стандартная серия общего применения с с встроенным байпасным контактором, обеспечивает простое подключение и удобство эксплуатации. Выбираеться в случаях, когда производится первичное подключение электродвигателя ''с нуля'', в этом случае наличие встроенного обводного контактора максимально упростит процесс подключения. Диапазон мощности серии SBIP: 5.5 - 630 кВт. Устройства плавного пуска серии SBIP применяются везде, где необходим контролируемый пуск и останов двигателя, и не требуется регулировка скорости. Предназначены для систем, требующих повышенного контроля физических параметров. Серия SBIP краткая техническая спецификация: - 3 ~ 342-440 В (± 5% не более 20мс), частота пусков - не более 5 раз в час (не чаще 1 раза в 12 минут), пусковое напряжение 30-70%, ограничение пускового тока 200 - 500%, максимальный рабочий ток 50-200%, питание платы управления 230В, независимое от силовой части.
Характеристики:
- Тип изделия: Устройство плавного пуска
- Номинальная мощность электродвигателя, КВт: 37
- Количество фаз: 3
- Напряжение, В: 380
- Номинальный ток, А: 74
- Степень защиты: IP00
- Способ задания параметров: Ручной, дистанционный, интерфейс
- Комплектация: Устройство плавного пуска - 1 шт.|Краткое руководство по эксплуатации, паспорт - 1 шт.
- Преимущества: Силовые шины открытого типа во всем мощностном диапазоне для удобства подключения|Конструкция корпуса - установка без воздушных зазоров|Сьемная выносная панель с ЖК-дисплем и русскоязычным меню|Предустановленные настройки для типовых применений|Программируемые входы и выходы|Журнал событий с хронологией|Подключение РТС-датчика электродвигателя
- Дополнительная информация: опционально, по запросу, для условий с агрессивными средами, может быть выполнено дополнительное защитное покрытие печатных плат преобразователя частоты компаундом (КМП) или лаком (СЗС)
Документация:
Видеоматериалы
Каталог производителя
Схема подключения
Паспорт - Характеристики
-
- Тип изделия: Устройство плавного пуска
- Номинальная мощность электродвигателя, КВт: 37
- Количество фаз: 3
- Напряжение, В: 380
- Номинальный ток, А: 74
- Степень защиты: IP00
- Способ задания параметров: Ручной, дистанционный, интерфейс
- Комплектация: Устройство плавного пуска - 1 шт.|Краткое руководство по эксплуатации, паспорт - 1 шт.
- Преимущества: Силовые шины открытого типа во всем мощностном диапазоне для удобства подключения|Конструкция корпуса - установка без воздушных зазоров|Сьемная выносная панель с ЖК-дисплем и русскоязычным меню|Предустановленные настройки для типовых применений|Программируемые входы и выходы|Журнал событий с хронологией|Подключение РТС-датчика электродвигателя
- Дополнительная информация: опционально, по запросу, для условий с агрессивными средами, может быть выполнено дополнительное защитное покрытие печатных плат преобразователя частоты компаундом (КМП) или лаком (СЗС)


