Винт М6х20 (DKC) CM050620
- Описание
-
Подробности
Полное описание товара Винт М6х20 (DKC) CM050620
Винт для монтажа проволочного лотка применяется для соединения отрезков проволочного лотка между собой, изготовления системных аксессуаров и крепления проволочного лотка к монтажным аксессуарам. Применяется в составе крепежных комплектов №1 и №4. Поставка осуществляется в упаковке из 50 штук.
Входит в состав огнестойкой кабельной линии (ОКЛ) - это кабельная линия и электропроводка, способнаясохранять работоспособность в условиях пожара. ОКЛ– сертифицированная система, состоящая из огнестойкого кабеля и кабеленесущих систем.
Характеристики:
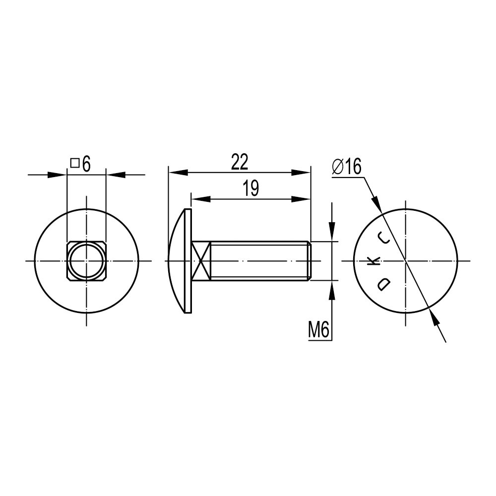
- Тип изделия: Винт
- Материал изделия: Сталь
- Высота, мм: 16
- Ширина, мм: 16
- Длина, мм: 20
- Резьба: M6
- Масса, кг: 0.005
- Цвет: Светло-серый
- Климатическое исполнение: УХЛ(1,5)
- Рекомендованный проектный ассортимент: Да
Документация:
Системы кабельных лотков S5, L5, F5, U5, I5, G5 Combitech и модульных эстакад T5 Combitech
Страница каталога
Как следует заземлять кабельную трассу из проволочных лотков ДКС
Чертеж - Характеристики
-
- Тип изделия: Винт
- Материал изделия: Сталь
- Высота, мм: 16
- Ширина, мм: 16
- Длина, мм: 20
- Резьба: M6
- Масса, кг: 0.005
- Цвет: Светло-серый
- Климатическое исполнение: УХЛ(1,5)
- Рекомендованный проектный ассортимент: Да


